ふんどしの
ページへ戻る
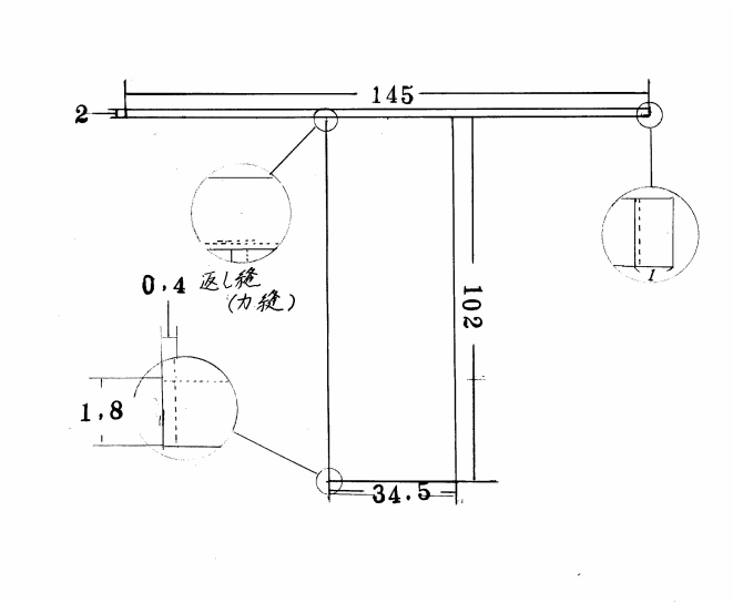
                    単位cm

サイズ表

ふんどしの
ページへ戻る
                     単位cm